新聞動態
新聞動態
聯系我們
電話:023-63417517
手機:15922771942
郵箱:3136182081@qq.com
地址:重慶市渝北區兩港大道188號國盛IEC中心8幢
新聞動態
行業資訊
XF 93-2004《防火門閉門器》標準詳解
- 作者:錦宏防火門窗
- 發布時間:2024-05-24 09:44:39
- 點擊:
根據公安部、應急管理部聯合公告(2020年5月28日)和應急管理部2020年第5號公告(2020年8月25日),本標準歸口管理自2020年5月28日起由公安部調整為應急管理部,標準編號自2020年8月25日起由GA93-2004調整為XF93-2004,標準內容保持不變。
本標準適用于安裝在防火門和防火窗上使用的無定位裝置的閉門器。
防火門閉門器的常規性能
外觀
外觀應符合QB/T3893-1999中4.1的規定:
常溫下的運轉性能
防火門閉門器使用時應運轉平穩、靈活,其貯油部件不應有滲漏油現象。
常溫下的開啟力矩
常溫下的開啟力矩應符合表3的規定

常溫下的最大關閉時間
常溫下的最大關閉時間不應小于20s
常溫下的最小關閉時間
常溫下的最小關閉時間不應大于3s
常溫下的關閉力矩
常溫下的關閉力矩應符合表3的規定。
常溫下的閉門復位偏差
常溫下的閉門復位偏差不應大于0.15°。
防火門閉門器使用壽命及使用壽命試驗后的性能
使用壽命
使用壽命應符合表2的規定。壽命試驗過程中,防火門閉門器應無破損和漏油現象
使用壽命試驗后的性能
使用壽命試驗后的運轉性能
使用壽命試驗后的運轉性能應符合6.1.2的規定
使用壽命試驗后的開啟力矩
使用壽命試驗后的開啟力矩不應大于表3開啟力矩值的80%
使用壽命試驗后的最大關閉時間
使用壽命試驗后的最大關閉時間應符合表4的規定。

使用壽命試驗后的最小關閉時間
使用壽命試驗后的最小關閉時間不應大于3s。6.2.2.5 使用壽命試驗后的關閉力矩
使用壽命試驗后的關閉力矩不應小于表3關閉力矩值的80%。
使用壽命試驗后的閉門復位偏差
使用壽命試驗后的閉門復位偏差不應大于0.15°
防火門閉門器在高溫下的性能
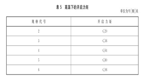
高溫下的開啟力矩
高溫下的開啟力矩應符合表5的規定。

高溫下的最大關閉時間
高溫下的最大關閉時間應符合表6的規定

高溫下的最小關閉時間
高溫下的最小關閉時間不應大于3s
高溫下的關閉力矩
高溫下的關閉力矩應符合表7的規定

高溫下的閉門復位偏差
高溫下的閉門復位偏差不應大于0.15°
高溫下的完好性
在高溫試驗過程中,防火門閉門器應無破損和漏油。
防火門閉門器檢驗分為出廠檢驗和型式檢驗。
出廠檢驗:
a,出廠檢驗項目為6.1.2~6.1.7。
b,出廠檢驗按 GB/T2828.1的規定,采用一般檢驗水平Ⅱ,接收質量限6.5,一次正常檢驗抽樣方案。
c,防火門閉門器應由生產廠的質量檢驗部門按出廠檢驗項目逐項檢驗合格,并簽發合格證后方可出。
型式檢驗:
有下列情況之一者應進行型式檢驗:
a,新產品或老產品轉廠生產的試制定型鑒定;
b,正式生產后,如結構、材料、工藝有較大改變,可能影響防火門閉門器產品性能時;
c,出廠檢驗結果與上次型式檢驗有較大差異時;
d,國家質量監督機構提出進行型式檢驗的要求時;
e,正常生產二年內不少于一次;
f,停產半年以上恢復生產時。
防火門閉門器最小檢驗批量為9件,隨機抽取2件
檢驗項目為本標準要求的全部內容(見表8)。

表8所列檢驗項目不含A類不合格項,B類與C類不合格項之和不大于三項,且含B類不合格項不大于一項,則判該產品質量合格。否則判該產品質量不合格。
- 上一篇:鋼質防火門是什么?鋼質防火門等級
- 下一篇:安全出口消防防火門不可以上鎖
